电子烟经过巨头集团的推动,已经由小众产品成为大众熟知的产品。在人民健康意识不断加强且产品体验有了前所未有突破的前提下,电子烟的市场需求也越来越大。品牌商为保护自己的正版烟弹的销售,以防止杂牌烟弹与自家烟杆的随意搭配,造成口感、品质对品牌的影响,电子烟烟弹认证加密就成了必不可少的一个防伪方式。
这款电子烟烟弹加密认证的解决方案,是完美解决烟弹与品牌烟杆认证的问题。


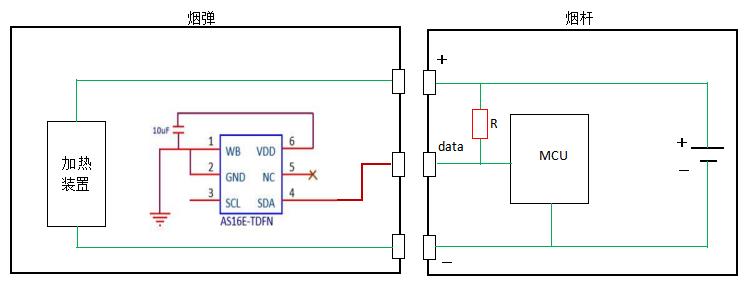
烟弹与烟杆的认证原理
| product | Name | AS16E |
| Electrical Feature | Algorithm(Engine) | Applied AES 256 |
| Algorithm (Engine) | Applied AES 256 | |
| Operating Voltage | 1.8~3.6V | |
| Interface | 1-Wire and I2C | |
| EEPROM | 2k Bytes | |
| OTP/MTP | Yes | |
| Operating Current(@3.3V) | 3mA | |
| Stand by Current(@3.3V) | 150nA | |
| EEPROM | 2K Byte | |
| Package | Type | TDFN-6 |
| Size(TxWxL) | 0.7x2x2(mm) |
* 保护品牌商品牌价值
防止山寨版耗材及设备导致的口感及用户体验下降等
* 保护正品耗材价值
对正品材料,配方,口味等进行认证
* 保护方案商方案授权价值
烟油控制算法,精准温度控制算法,快速充电,物联网技术等
* 严格控制生产数量
关注微信号,惊喜等你来
x